RVS wandkast met zichtvenster
RVS wandkast met zichtvenster
ViFa Enclosures RVS wandkasten met zichtvenster zijn ideaal in moeilijke omgevingen en bijzonder geschikt voor gebruik in de voedingsmiddelen-, maritieme, chemische en petrochemische industrie waar maximale weerstand tegen agressieve stoffen vereist is. Deze behuizingen kunnen worden aangepast met een reeks standaardaccessoires, speciale bewerkingen en ad-hoc- of mede-ontworpen oplossingen voor de verzoeken van klanten.
Technische eigenschappen
| Classificatie | EN62208: IP66 IK08 UL508A – CSA C22.2 No. 14-13 NEMA Type 1,12,4,4X |
|---|---|
| Materiaal | Roestvrij staal: AISI 304 / WNr. 1.4301. |
| Op verzoek | AISI 316 / WNr. 1.4404. |
| Afwerking | Scotch-Brite. Dikte 2.5 mm. |
| Body | Single-body constructie, gekant en gelast. M5 blinde draadbus op de body t.b.v. muurbevestiging zonder dat bewerking noodzakelijk is. |
| Deur | AISI 304 RVS verborgen scharnieren; deur opening 120°. Verchroomd zamak 3mm dubbelbaard slot (op verzoek AISI 304 en andere inzet). Polyurethaan afdichting (temp. bereik -40°C +90°C). |
| Inbegrepen | Aardingsaccessoires en kartonnen verpakking. |
| Maatwerk | Bewerkt volgens klant tekening |
| Accessoires | Invoerplaat. Binnendeur. Regendak. Muurbeugels. Sluitsystemen/sloten. Tekeninghouder. |
DEUR
STANDAARD MONTAGEPLAAT
2 MUURBEUGELS
TOTALE CAPACITEIT
Maattabel
| BEHUIZING | ARTIKEL | DEUREN | GEWICHT | VENSTER | CLASSIFICATIE | ||||
|---|---|---|---|---|---|---|---|---|---|
| H | B | D | H2 | B2 | EN62208 | UL/CSA | |||
| mm | mm | mm | kg | mm | mm | EN60529-EN62262 | UL50E / CSA C22.2 |
||
| 300 | 300 | 210 | ITCLA03003021 | 1 | 8.5 | 260 | 249 | IP66 – IK08 | 1,12,4,4X |
| 400 | 300 | 210 | ITCLA03004021 | 1 | 9.8 | 360 | 249 | IP66 – IK08 | 1,12,4,4X |
| 400 | 400 | 210 | ITCLA04004021 | 1 | 11.4 | 360 | 349 | IP66 – IK08 | 1,12,4,4X |
| 500 | 400 | 210 | ITCLA04005021 | 1 | 12.9 | 460 | 349 | IP66 – IK08 | 1,12,4,4X |
| 600 | 400 | 250 | ITCLA04006025 | 1 | 16.3 | 560 | 349 | IP66 – IK08 | 1,12,4,4X |
| 500 | 500 | 210 | ITCLA05005021 | 1 | 14.7 | 460 | 449 | IP66 – IK08 | 1,12,4,4X |
| 500 | 500 | 300 | ITCLA05005030 | 1 | 19.1 | 460 | 449 | IP66 – IK08 | 1,12,4,4X |
| 700 | 500 | 250 | ITCLA05007025 | 1 | 20.3 | 660 | 449 | IP66 – IK08 | 1,12,4,4X |
| 600 | 600 | 250 | ITCLA06006025 | 1 | 20.5 | 560 | 549 | IP66 – IK08 | 1,12,4,4X |
| 600 | 600 | 300 | ITCLA06006030 | 1 | 23.3 | 560 | 549 | IP66 – IK08 | 1,12,4,4X |
| 800 | 600 | 300 | ITCLA06008030 | 1 | 29.4 | 760 | 549 | IP66 – IK08 | 1,12,4,4X |
| 1000 | 800 | 300 | ITCLA08010030 | 1 | 48 | 960 | 749 | IP66 – IK08 | 1,12,4,4X |
| 1200 | 800 | 300 | ITCLA08012030 | 1 | 54.7 | 1160 | 749 | IP66 – IK08 | 1,12,4,4X |
| 1200 | 800 | 400 | ITCLA08012040 | 1 | 64.8 | 1160 | 749 | IP66 – IK08 | 1,12,4,4X |
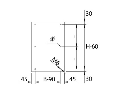
Behuizing ophanging
Hartafstand tussen waterdichte bevestigingspunten in de achterwand van de behuizing
*3de bevestigingsgat voor behuizing met H = 1000
RVS wandkasten ook zonder zichtvenster leverbaar.



